Профильные трубы
Стандартные трубы

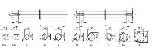
| Профиль |
L |
D |
A |
B |
Номер чертежа |
номер (для заказа) |
|
00c |
1000 |
9 |
12 |
75.02.15 |
1690037 |
|
|
00c |
1400 |
9 |
12 |
12 |
75.02.102 |
1123380 |
|
00c |
2900 |
75.02.00 |
1183750 |
|||
|
0a |
1000 |
9 |
12 |
75.12.15 |
1085702 |
|
|
0a |
1400 |
9 |
12 |
12 |
75.12.115 |
1123597 |
|
0a |
2900 |
75.12.00 |
1045630 |
|||
|
0v |
1000 |
11 |
12 |
75.11.16 |
1048757 |
|
|
0v |
1400 |
11 |
13 |
13 |
75.11.150 |
1123382 |
|
0v |
2900 |
75.11.00 |
1045629 |
|||
|
1 |
1000 |
11 |
13 |
75.15.16 |
1085732 |
|
|
1 |
1400 |
11 |
13 |
13 |
75.15.129 |
1123598 |
|
1 |
2900 |
75.15.00 |
1045632 |
|||
|
1b |
1000 |
11 |
13 |
75.25.15 |
1081953 |
|
|
1b |
1400 |
11 |
13 |
13 |
75.25.112 |
1123385 |
|
1b |
2900 |
75.25.00 |
1045634 |
|||
|
2a |
1000 |
11 |
13 |
75.35.15 |
1081684 |
|
|
2a |
1400 |
11 |
13 |
13 |
75.35.135 |
1123599 |
|
2a |
2900 |
75.35.00 |
1045636 |
|||
|
S4 |
1000 |
75.49.00 |
1697203 |
|||
|
S4 |
1400 |
75.49.00 |
1699742 |
|||
|
S4 |
2900 |
75.44.00 |
1045649 |
|||
|
S5 |
1000 |
75.45.00 |
1017660 |
|||
|
S5 |
1400 |
75.25.00 |
1134935 |
|||
|
S5 |
2900 |
75.45.00 |
1045639 |
|||
|
S6 |
1000 |
14 |
22 |
75.46.15 |
1693668 |
|
|
S6 |
1400 |
14 |
22 |
22 |
75.46.112 |
1123390 |
|
S6 |
2900 |
75.46.00 |
1185813 |